|
|
首頁-旋片式真空泵型號-2XZ型旋片式真空泵2XZ型旋片式真空泵
一、2XZ型旋片式真空泵用途:
2XZ型旋片式真空泵是用來對密封容器抽除氣體的基本設備。它可單獨使用,也可用為增壓泵、擴散泵、分子泵的前級泵、維持泵、鈦泵的預抽泵用;該系列泵具有低嗓聲、停泵不返油、啟動容易等優點,泵上裝有氣鎮閥,可抽除少量的可凝性蒸汽。本真空泵不能抽除含氧過高的,腐蝕性的,有爆炸性的或有毒的(2XZFL防爆型旋片式真空泵除外),以及含有穎粒塵埃的氣體,也不能作壓縮泵、輸氣泵使用。2XZ型旋片式真空泵可用于電真空容器制造、真空焊接、印刷、照相制版、食品包裝、真空吸塑、制冷設備維修及儀器、儀表設備配套和實驗室等。廣泛適用于航空航天、半導體、鍍膜、食品包裝、干燥、制冷、科研、醫療、電子、化工、醫藥等專業單位和大專院校等部門的實驗室、化驗室。
二、2XZ型旋片式真空泵的型號意義:

三、2XZ型旋片式真空泵的結構特點:
1.體積小,重量輕、噪音低;
2.設有氣鎮閥,可抽除少量水蒸汽;
3.設有自動防返油雙重保險裝置;
4.小口徑2XZ-2,2XZ-4真空泵專配真空干燥箱、冷凍干燥機,印刷機械;
5.配小口徑轉換接頭、KF接口;
附:2XZ型旋片式真空泵進出口口徑轉換裝置圖

四、2XZ型旋片式真空泵的性能參數表:
| 參數/型號 |
2XZ-0.25 |
2XZ-0.5 |
2XZ-1 |
2XZ-2 |
2XZ-4 |
| 抽氣速率m3/h(L/S) |
50(HZ) |
0.9(0.25) |
1.8(0.5) |
3.6(1) |
7.2(2) |
14.4(4) |
| 60(HZ) |
1.1(0.3) |
2.1(0.6) |
4.3(1.2) |
8.6(2.4) |
17.2(4.8) |
| 極限壓力
(Pa) |
分壓力 |
≤6×10-1 |
≤6×10-2 |
≤6×10-2 |
≤6×10-2 |
≤6×10-2 |
| 全壓力 |
≤6.5 |
≤1.33 |
≤1.33 |
≤1.33 |
≤1.33 |
| 50HZ |
轉速(r/min) |
1400 |
1400 |
1400 |
1400 |
1400 |
| 60HZ |
轉速(r/min) |
1720 |
1720 |
1720 |
1720 |
1720 |
| 電機功率(kw) |
0.12 |
0.18 |
0.25 |
0.37 |
0.55 |
| 電源電壓(V) |
220 |
220/380 |
220/380 |
220/380 |
220/380 |
| 進氣口口徑(mm)(外徑) |
φ15 |
φ20 |
φ20 |
φ30 |
φ30 |
| 噪音(dBA) |
63 |
65 |
65 |
68 |
68 |
| 容油量 (L) |
0.5 |
0.6 |
0.7 |
1 |
1.2 |
| 外形尺寸(mm) |
403×130×240 |
447×168×260 |
469×168×260 |
514×168×282 |
565×168×282 |
| 重量(Kg)毛重/凈重 |
16/15 |
17/16 |
18/17 |
22/20 |
24/22 |
| 參數/型號 |
2XZ-6 |
2XZ-8 |
2XZ-15 |
2XZ-25 |
| 抽氣速率(L/s) |
50(HZ) |
21.6(6) |
28.8(8) |
54(15) |
90(25) |
| 60(HZ) |
26(7.2) |
34.5(9.6) |
64.8(18) |
108(30) |
| 極限壓力 |
分壓力 |
≤4×10-2 |
≤4×10-2 |
≤4×10-2 |
≤4×10-2 |
| (Pa) |
全壓力 |
≤1 |
≤1 |
≤1 |
≤1 |
| 轉速(r/min) |
50(HZ) |
1400 |
1400 |
1400 |
1400 |
| 60(HZ) |
1720 |
1720 |
1720 |
1720 |
| 電機功率(kw) |
0.75 |
1.1 |
1.5 |
2.2 |
| 電源電壓(V) |
380 |
380 |
380 |
380 |
| 進氣口口徑(mm) |
KF -40 |
KF -40 |
KF -40 |
KF -50 |
| 噪音(dBA) |
68 |
70 |
70 |
72 |
| 容油量(L) |
2 |
3 |
4 |
5 |
| 外形尺寸(mm) |
565×200×342 |
650×240×430 |
700×240×430 |
770×240×430 |
| 毛重/凈重(Kg) |
50/40 |
70/60 |
86/75 |
98/85 |
五、2XZ型旋片式真空泵性能曲線圖:

六、2XZ型旋片式真空泵工作原理與結構簡述:
該泵是一種容積泵,它借助于旋片在泵腔中連續運轉,使泵腔被旋片分成兩個不同區域的容積周期地擴大與縮小,使將氣體吸進、壓縮與排出,達到容器被抽真空。 本泵是由兩個工作室前后串聯同向等速旋轉,被抽氣體由前級泵泵腔抽入,經過壓縮被排出或排入后級泵腔,再經過壓縮,排出泵腔,通過減霧器(排氣筒)排出泵外。見圖(一)所示。

圖(一):2XZ型旋片式真空泵結構圖
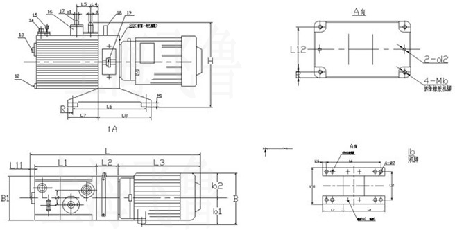
七、2XZ型旋片式真空泵外形及安裝尺寸:

外形及安裝尺寸(矩形管)
| 型號 |
矩形管 |
L7 |
L8 |
L6 |
L'6 |
L12 |
L'12 |
| 2XZ-0.25 |
30×20 |
61 |
156 |
175 |
|
70 |
109 |
| 2XZ-0.5/1 |
30×20 |
73 |
182 |
240 |
7.5 |
88 |
118 |
| 2XZ-2/4 |
40×25 |
102 |
188 |
270 |
10 |
94 |
134 |

| 型號 |
L |
L1 |
L2 |
L3 |
l |
l1 |
l2 |
W |
W1 |
W2 |
w1 |
w2 |
H1 |
H2 |
DN |
KF |
Φd |
| 2XZ-6 |
550 |
220 |
105 |
64 |
302 |
250 |
85 |
175 |
55 |
66 |
136 |
182 |
315 |
280 |
25 |
40 |
7 |
| 2XZ-8 |
624 |
255 |
175 |
64 |
495 |
455 |
180 |
238 |
75 |
100 |
182 |
232 |
414 |
388 |
25 |
40 |
8 |
| 2XZ-15 |
703 |
315 |
175 |
64 |
495 |
455 |
180 |
238 |
75 |
100 |
182 |
232 |
414 |
388 |
25 |
40 |
8 |
| 2XZ-25 |
743 |
355 |
175 |
64 |
495 |
455 |
180 |
238 |
75 |
100 |
182 |
232 |
414 |
388 |
25 |
50 |
8 |
八、2XZ型旋片式真空泵的使用方法和注意事項:
1、開箱,檢查泵在運抽中是否擔壞,是否符合出廠要求。 2、先擰開加油螺塞,從加油孔中加油至油標2/3(因出廠運輸關系,真空泵腔內無泵油灌入),后從進氣管孔內加入少許泵油(可能出廠時間太長引起泵腔內干燥)為加強泵腔內潤滑。油位過低對排氣閥不能起封閉作用,影響真空度,過高可能會引起噴油。泵油采用石化行業礦物油型真空泵油標準號為SH0528牌號,配用HFV-N1100,HFV-N1200,HFV-A100. SV-68等。 3、按規定接上三相電源線,三相電機要注意電機旋轉方向與泵支架上的箭頭方向一致,單相電機直接插上電源插座即可,試運轉一下,再開始正常工作。 4、與泵進氣管口的連接管道不宜過長,千萬注意要檢查真空泵外連接管道、接頭及容器絕對不能漏氣,要密封。否則會影響極限真空及真空泵使用壽命。 5、泵的工作環境:溫度5℃~40℃范圍內,相對濕度不大于85%,進氣口壓力1.3*103帕的條件下工作。對抽速在0.5升/秒以上真空泵,均裝有氣鎮閥。如相對濕度較高,可打開氣鎮閥凈化,可抽除少量水蒸氣而不會污染泵油,廷長泵油使用時間,凈化完畢后及時關死。從而提高泵的使用性能。
6、自吸進油式真空泵,在進氣口壓力為10OKpa-6Kpa時運轉,不得超過3分鐘。
7、此泵必須安裝在清沽,通風、干燥的場所。
8、下列情況之一不能使用:
(1)不能抽吸含有顆粒,塵埃的氣體或膠狀、水狀、液體及腐蝕性的物質。
(2)不能抽吸含爆炸性氣體或含氧過高的氣體。這種環境應選用我公司生產的防爆真空泵比較合適。
(3)不能系統漏氣及真空泵匹配的容器過大,在長期抽氣下工作。
(4)不能作為輸氣泵,壓縮泵等使用。
9、泵內設有雙重的防返油裝置,永不返油。
10、此泵是高精度產品,也不是耐腐蝕真空泵,建議配置過濾器使用。
九、2XZ型旋片式真空泵維護與保養:
1、保持泵的清潔,防止雜質吸入泵腔內。建議配置過濾器,但過濾器的上接口與下接口間距為整個過濾器高度的3/5左右。當水溶液太多時可通過放水螺塞放掉,然后及時擰緊。該過濾器起緩沖、冷卻、過濾等作用。
2、保持油位。不同種類或牌號的真空泵油,不可混合使用,如遇污染請及時更換。 3、存放不當,水分或其他揮發性物質進入泵腔內,可打開氣鎮閥凈化之。如影響極限真空,可考慮換油,更換泵油時,先開泵空運轉30分鐘左右,使油變稀,放出臟油,放油的同時,從進氣口緩慢加入少量清潔真空泵油加以沖洗泵腔內部。
4、如遇泵的噪聲增加或突然咬死,應立即切斷電源,進行檢查。
5、該系列泵拆卸順序:
5.1放油。
5.2松開進氣管壓板螺釘,拔出進氣管。
5.3松開氣鎮閥壓板螺釘,拔出氣鎮閥。
5.4拆下油箱。 5.5拆除支座與泵連接的內六角螺釘,松開泵聯軸節緊固螺釘.抽出泵體總成,拆下擋油板。5.6拆下止回閥開口銷,抽出止回閥葉輪。5.7用汽油清洗各部件、疏通油孔待裝。
6、2XZ型旋片式真空泵裝配順序: 6.1旋片裝上旋片彈簧,插入轉子槽內后,先將高級轉子裝入定子,裝上高級泵蓋、銷、螺釘、鍵、套上軸套,用手旋轉,應無滯阻和明顯輕重感覺。
6.2參照6.1安裝高級轉子方法,裝上低級轉子。用泵聯軸器人工手盤旋轉幾下,應無滯阻和明顯輕重感覺。 6.3自吸進油泵裝里裝上止回閥部件,調整止回閥頭與進油嘴孔的平面。平啟高度為0.8-1.2毫米,閉合時,止回閥頭應將進油嘴孔嚴密密封,否則容易造成回油。
6.4裝回排氣閥片、油盒、擋油板等零件。
6.5裝泵體、鍵、聯軸節重新裝回支座上。
6.6裝油箱,裝回氣鎮、進氣管螺絲固定。(注意:檢查墊片及0型圈是否完好)
6.7再從加油孔處加油至油位要求位置,擰上放油螺塞。
6.8開啟電源,即可使用。
十、2XZ型旋片式真空泵故障及消除方法:
| 故障現象 |
產生原因 |
消除方法 |
真空度不佳 |
1.油量不夠,油已污染 |
增加新油或更換油 |
| 2.進氣口,氣鎮閥密封圈損壞或外管道連接漏氣 |
調換0型密封圈,排除漏氣部位 |
| 3.排氣閥損壞或跳出型腔 |
調換排氣閥片,將閥片放回原位 |
| 4.油路阻塞 |
油臟應換油,止回閥彈簧開啟失靈調換,泵濾油網、進油器孔堵塞,予以排除 |
| 5.泵油溫升過高 |
檢查油路有否阻塞,改善通風,降低被抽氣體溫度 |
| 6.旋片磨損,旋片彈簧斷裂 |
進行大修,調換零件 |
運行故障 |
1、油路阻塞,泵腔內無泵油干磨 |
檢查進油系統,油臟應換油,嚴禁敞大氣使用 |
| 2、泵腔內有異物雜質,化學物質及溶液吸入 |
拆開泵大修,清洗,并裝上濾氣網 |
| 3、接線錯誤,缺相或地線有誤 |
檢查、糾正 |
漏油 |
1、油箱墊,放油塞密封不嚴 |
擰緊密封螺釘或更換墊片 |
| 2、油標漏油 |
更換油標,擰緊螺釘或更換墊片 |
| 3、泵軸骨架油封磨損 |
更換油封 |
噪音增加 |
電機內風葉碰到罩殼 |
檢查止回閥開啟高度,濾網,進油器油孔有否阻塞,油過臟,應換油,檢查管路不能漏氣 |
| 泵座聯軸器松動 |
調整緊固聯軸器鎖緊螺釘 |
| 電機故障 |
更換電機或保養修理 |
| 旋片彈黃折斷 |
拆開泵腔,調換旋片彈黃 |
| 泵腔內有異物 |
拆開泵大修 |
| 各部件緊固螺釘松動 |
檢查各部件,緊固螺釘 |
返油 |
1、止回閥與進油嘴孔位不正 |
調節止回閥頭與進油嘴位置,使止回閥與進油嘴嚴密密封,或在進氣管口裝接電磁閥 |
| 2、排氣閥孔有雜質、排氣閥位置不正 |
清除雜質,將閥片放回原位 |
噴油 |
1、泵內存油量過多,油位過高 |
放出多余油里,使油位至油標的2/3 |
| 2、減霧器中有泵油或雜物 |
檢查并予以清除 |
| 3、敞通大氣使用 |
嚴禁敞大氣使用 |
發熱、冒煙 |
1、減霧器冒煙,泵體、電機發熱 |
檢查泵進氣口外接管道,交接頭及外接容器不能有漏氣現象、要密封、不能敞通大氣工作,檢查油路有否阻塞 |
| 2、油路阻塞,泵腔內無泵油干磨 |
相關產品推薦:
2X型旋片式真空泵 2XZFL防爆型旋片式真空泵 XD型旋片式真空泵 X型旋片式真空泵
FLS型旋片式真空泵 |